| | | | Zeit:
17.04.2025 19:05:09 |
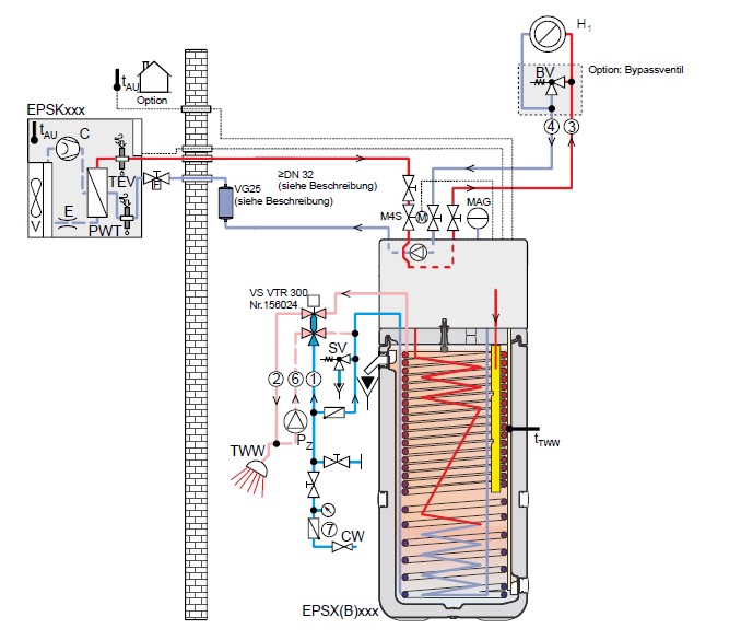
Hallo zusammen, bei mir wird es langsam konkret und ich habe ein Angebot für eine Altherma 4 6kw echo2o System bekommen. Vorgestellt habe ich mir das ganze so vorgestellt, dass nur das Innen- + Außengerät und ein Ausdehnungsgefäß installiert werden. Altherma 4 H ECH2O (ohne hydr. Trennung) Variante 1: Schema 5300 Haus hat folgende Daten: - Baujahr 1998 - 160m² Fussbodenheizung in den Estrich eingefräst, auf drei Etagen jeweils ein Verteiler- Jahresverbrauch Gas 11k kWh - Buderus Gasheizung ist folgend eingestellt: Auslegungstemperatur = 35 °C, Max. Vorlauftemperatur = 38 °C - Alle Heizungsrohre zu den Verteilern haben einen Außendurchmesser von 26mm, Kunststoff. Im Angebot sind nun folgende Komponenten zusätzlich aufgeführt für das Heizungssystem: - Pufferspeicher ( Hydraulische Weiche) inkl. Dämmung - Pumpengruppe ohne Mischer mit Anzeige und Absperreinheit - Schmutzfänger - Schlamm- und Magnetitabscheider - Frostschutzventile (systemabhängig - Entlüfter - Manometer, Temperaturanzeige - Sicherheitsventile Heizung, BrauchwasserFür Brauchwasser: - Rückspülfilter mit integriertem Druckminderer Systemdruck 1-5bar - Trichtersiphon - Sicherheitsgruppe - Zirkulationspumpe- Ausdehnungsgefäß TW - Füllstation Bambini Sachen wie Frostschutzventile kann ich noch nachvollziehen, aber hydraulische Wiche sollte doch unnnötig sein und Schlamm-, Magnetitabscheider und Zirkulationspumpe sind doch im echo2o Gerät schon vorhanden? Viele Grüße, JKee
|
| | Zeit:
17.04.2025 20:46:36 |
Das sieht nach 1,5* aus ….? Zirkupumpe ist nicht im Gerät , die ist extra. Weiche kann ich im Schema nicht sehen , gibt es bei dehnen eigentlich auch nur bei Heizkörper oder zwei Heizkreisen . Der Schlamm und Magnetitfilter gibt es dann auch als KOMBI mit der Weiche. Würde ich noch einmal nachfragen….
|
| | Zeit:
17.04.2025 21:04:51 |
Das Schema hätte ich gerne. Der heizi hat kein Schema geliefert, deswegen die Stückliste. Hier ist auch die hydraulische Weiche dabei. Was bedeutet 1,5*?
|
| | Zeit:
18.04.2025 06:23:07 |
| |
| | Zeit:
18.04.2025 06:33:28 |
Was sagt denn der Betrieb dazu?
Die werden sich ja irgendwas dabei denken. Hydraulische weiche funktioniert immer. Und sie Hardware und den Mehrverbrauch zahlst ja du. Also ein win für den Verkäufer
|
| | Zeit:
18.04.2025 09:50:07 |
Meine Sicht der Dinge als ECH2O-Besitzer: - Pufferspeicher/Weiche nicht erforderlich (schädlich!). Daikin wünscht aber ein Überströmventil. - Pumpengruppe wofür? Pumpe ist bereits in der Inneneinheit! - Frostschutzventile sind bereits in der Außeneinheit. - Entlüfter wofür? Es ist je ein Entlüfter in der Außeneinheit und der Inneneinheit - Schlamm- und Magnetitabscheider sind bei FBH mit Kunststoffrohr sinnlos. - Auf WW-Seite kein Ausdehnungsgefäß erforderlich. Gruß Karl
|
| | Zeit:
18.04.2025 12:01:34 |
Zitat von Kala Nag  Zitat von Jkee  [...] Meine Sicht der Dinge als ECH2O-Besitzer: - Pufferspeicher/Weiche nicht erforderlich (schädlich!). Daikin wünscht aber ein Überströmventil. - Pumpengruppe wofür? Pumpe ist bereits in der Inneneinheit! - Frostschutzventile sind bereits in der Außeneinheit. - Entlüfter[...] Wie kommst du darauf , dass die Frostschutz Ventile bereits in der Außeneinheit sind ?
|
| | Zeit:
18.04.2025 16:26:33 |
Zitat von Bergi  Zitat von Kala Nag  [...] Wie kommst du darauf , dass die Frostschutz Ventile bereits in der Außeneinheit sind ? |
| | Zeit:
18.04.2025 16:41:57 |
| |
| | Zeit:
18.04.2025 22:24:58 |
Vielen Dank für euren Input. Der Anbieter ist als Partner bei daikin gelistet, ich werde versuchen nächste Woche Rücksprache zu halten. Zum Thema Frostschutzventile steht noch folgendes bei daikin: Verlaufen die Heizungsrohre im Außenbereich tiefer als die WP, so sind diese mit Frostschutzventilen gegen Frostschäden bei Stromausfall zu schützen. Da der Außenteil direkt vor der Wand steht und dann direkt ins Haus geführt werden soll, dürften die vorhandenen reichen. Andere Frage zum Thema aufstellen, stellt man das Außengerät besser an die Wand oder geht auch senkrecht zur Wand?
|
| | Zeit:
19.04.2025 08:33:51 |
Zitat von Jkee  Andere Frage zum Thema aufstellen, stellt man das Außengerät besser an die Wand oder geht auch senkrecht zur Wand? 25-30cm vor einer Wand hat den Vorteil, dass stärkere Winde die Funktion nicht wesentlich beeinflussen. Aber senkrecht zur Wand geht natürlich auch, wenn ein gewisser Windschutz gegeben ist oder der Wind typischerweise von hinten anströmt. Gruß Karl
|
| | Zeit:
19.04.2025 10:36:36 |
Frostschutzventile integriert....da kann man deren Effizienzreduktion bei der 4er Altherma gleich von vorne herein mit einbeziehen. Ich denke, sehr sehr viele Besitzer werden diese dämmen. :-) Gruß Dipl.-Ing. Anlagentechnik Frank-Rolf Roth www.waermepumpendoktor.com (Planung, Baubegleitung, Anlagen-Optimierung, Betreiberschulung) Referenz-Wärmepumpenanlage der Energieagentur-NRW So wird’s gemacht: https://www.youtube.com/watch?v=JqPpRR6vQl4
|
| | Zeit:
19.04.2025 11:47:14 |
Zitat von Frank_Pantry  Frostschutzventile integriert....da kann man deren Effizienzreduktion bei der 4er Altherma gleich von vorne herein mit einbeziehen.
Ich denke, sehr sehr viele Besitzer werden diese dämmen. :-)
Ich nehme es mal mit, falls es bei mir soweit kommt. 😄 Ich habe von einem anderen Heizungsmonteur eine Buderus angeboten bekommen. Die ist von den Zahlen in den Minusgraden 25% niedriger in der Effizienz. Auf mich (als Laien) macht die altherma 4 einen ziemlich guten Eindruck, vor allem in Anbetracht der Anschaffungskosten.
|
| | Zeit:
23.04.2025 09:17:57 |
Daik schreibt zum Thema Schlamm- und Magnetabscheider: Schlamm- und Magnetabscheider sind bei F und W-Innengeräte sowie neuerdings auch bei den Altherma 4 ECH2O-Innengeräten verbaut. |
| | Zeit:
23.04.2025 10:33:46 |
Zitat von Jkee  Daik schreibt zum Thema Schlamm- und Magnetabscheider: Schlamm- und Magnetabscheider sind bei F und W-Innengeräte sowie neuerdings auch bei den Altherma 4 ECH2O-Innengeräten verbaut.Soll das heißen, dass diese Komponenten neuerdings serienmäßig in den Innengeräten stecken? Kaum zu glauben. Sind sie seitens Daikin vorgeschrieben? Gruß Karl
|
| | Zeit:
23.04.2025 10:47:07 |
Nachtrag:
Im Installationshandbuch wird der Einbau eines Abscheiders „empfohlen“!
|
| | Zeit:
23.04.2025 10:55:57 |
Die Standardabscheider sind genau wie die oftmals integrierten MAG zu klein. Da gehört dann je nach Notwendigkeit (viel Roststahl verbaut und nicht alles sinnhafterweise rostfrei geplant? ) ein deutlich größerer Abscheider projektiert, je nach Volumenstrom ab 1 1/4". (denn zu klein ist quasi wirkungslos) Gruß Dipl.-Ing. Anlagentechnik Frank-Rolf Roth www.waermepumpendoktor.com (Planung, Baubegleitung, Anlagen-Optimierung, Betreiberschulung) Referenz-Wärmepumpenanlage der Energieagentur-NRW So wird’s gemacht: https://www.youtube.com/watch?v=JqPpRR6vQl4
|
| | Zeit:
24.04.2025 16:48:05 |
Ich habe mir jetzt nochmal das Schema 5300 und die Kurzanleitung angeschaut und mir kommen mehr Fragen als Antworten auf. Schema 5300 https://drive.google.com/file/d/1IS43O2XbDNkAxhMSbzPiS7hrH3bVnH49/view Kurzanleitung https://www.daikin.de/content/dam/ Internet-DAG/local_content/heizungsplanung/Kurzanleitung_Altherma4_0325.pdf 1. Schema 5300 - Raumheizung: Beachte: Ohne Systemtrennung ist die Spreizung auf 15K beschränkt.Peilt man nicht irgendwas um 5K bei einer Fußbodenheizung? 2. 3. Mindestwasservolumen/-durchfluss Das minimale Wasservolumen für einen störungsfreien Betrieb ist abhängig vom verbauten Innengerät. Wir empfehlen hierfür ein 25 l Vorschaltgefäß (Artikelnummer: DE.PREVM2V25) oder 100 l Puffer (Artikelnummer: DE.PREVM6H100) die zur Volumenvergrößerung dienen. Sie stellen genügend Energie für den Abtauvorgang zur Verfügung auch wenn mehrere Abnehmer im System geschlossen sein sollten. Die Montage kann im Vorlauf sowie im Rücklauf des Heizkreises erfolgen. Sollte ein Pufferspeicher oder eine Weiche verbaut sein, wird deren Volumen dem Mindestvolumen angerechnet. Das interne Wasservolumen des Außen- und Innengerätes darf NICHT berücksichigt werden.Wenn ich keinen Puffer möchte wird es wohl das Vorschaltgefäß VG25, ist ja auch im Schema so hinterlegt. Kostet auch wieder 200-300€ + Einbau. Mir erschließt sich die Notwendigkeit bei meiner Konstellation nach lesen von https://www.haustechnikdialog.de/SHKwissen/199/Vorschaltgefaess-Zwischengefaess nicht wirklich. Was übersehe ich?
|
| | Zeit:
24.04.2025 17:19:59 |
Das Vorschaltgefäß dient hier nicht zum Temperaturschutz von MAGs, sondern lediglich zur Vergrößerung des vorhandenen Wasservolumens. Damit soll sichergestellt werden, dass *immer* ausreichend viel warmes Wasser (und damit thermische Energie) vorhanden ist, um einen störungsfreien Abtaubetrieb (Kältekreisumkehr) zu gewährleisten.
|
| | Zeit:
24.04.2025 22:47:18 |
Zitat von Jkee  Ich habe mir jetzt nochmal das Schema 5300 und die Kurzanleitung angeschaut und mir kommen mehr Fragen als Antworten auf[...] Zu 1.) 15K ist die maximale Spreizung, die die WP verträgt. 5K ist typisch für FBH, 10K für WW-Bereitung Zu 2.) Ein minimales Wasservolumen im System stellt die erforderliche Trägheit sicher, die im Störungsfall das rechtzeitige Abschalten des Systems ohne Folgeschäden ermöglicht. Besonders kritisch ist Kühlbetrieb bzw. Abtauen. Zirkuliert dabei im Störungsfall zu wenig Wasser, kann dieses innerhalb von Sekunden im Kondensator auf Frosttemperatur abkühlen, bevor eine Sicherheitsabschaltung erfolgt. Die Vereisung kann den Kondensator sprengen, was bei einer R290 Anlage besonders kritisch ist. Von R32-Geräten kenne ich diese Forderung nach Mindestvolumen nicht. Die zu verwendenden Wasserrohre zwischen Außen- und Innengerät stellen mit DN32 etwa 0,8l pro Meter bereit. 25l Puffervolumen werden also allein durch die Verrohrung bei 15m Abstand zwischen Außen- und Innengerät bereitgestellt. Gruß Karl
|
| | Zeit:
25.04.2025 22:18:38 |
Zu 1.) danke, ich war von der Formulierung wohl ein wenig überfordert.
Zu 2.) dürfte bei mir weniger als 15m werden, aber auch sonst würde ich es einbauen lassen. Wahrscheinlich nimmt daikin die Anlage ab.
Vielen Dank für eure Unterstützung.
|
| | Zeit:
10.06.2025 23:19:56 |
Zitat von Jkee  Ich habe mir jetzt nochmal das Schema 5300 und die Kurzanleitung angeschaut und mir kommen mehr Fragen als Antworten auf. 1. Schema 5300 - Raumheizung: Beachte: Ohne Systemtrennung ist die Spreizung auf 15K beschränkt. Peilt man nicht irgendwas um 5K bei einer Fußbodenheizung?[...] Klar. Ist kein Widerspruch: gemeint ist: nicht mehr als 15K Spreizung… Gruß -Eddi
|
| | Zeit:
11.06.2025 21:48:57 |
Die Anlage ist montiert und in Betrieb. Wenn es viel wärmer wird probiere ich mal die Kühlung aus. Ich bin gespannt. Vielen Dank für die Unterstützung an alle.
|
| | Zeit:
12.06.2025 00:27:24 |
Zitat von Kala Nag  Zitat von Jkee  [...] Soll das heißen, dass diese Komponenten neuerdings serienmäßig in den Innengeräten stecken? Kaum zu glauben. Sind sie seitens Daikin vorgeschrieben? Gruß Karl Ja, die schützenden und Sicherheitsbauteile sind neuerdings drin. Wir wollen eine "4" bei meiner Schwägerin installieren und ich habe mich mit der Maschine ein wenig beschäftigt. Natürlich waren Frostschutzventile, Schlamm- und Magnetitabscheider, Entlüfter, Druckabsicherungen im Angebot. Und bei einem Forumsteilnehmer, dem ich bei dem Wechsel von Öler mit FBH-Kreis und HK-Kreis auf WP ein wenig helfe, war es auch so. Alle Teile sind inzwischen serienmäßig verbaut. Erstaunlich, wie reflexartig die Daikin - Fachpartner von "3" für "4" schließen, ohne mal nachzulesen…. Zum Trennpufferkrempel mit den Pumpengruppen: Den HB beim Forumsteilnehmer schätze ich, dass er sich traut, auf unsere Idee des Ertüchtigens von 2 HK einzugehen und alles in 1 Kreis zuhängen, was jede Menge Teile spart und das VLT-Niveau um 10° runterzieht. Er meint: "nachrüsten kann man immer".👍 Den Klimatechniker meiner Schwägerin schätze ich, dass er sagt: " und bei den gemessenen Hydraulikdaten brauchen wir weder Vorschaltgefäss noch Überströmer".👍 Und ich musste auch ein paar Mal beim techn. Service von Daikin in München anrufen, um technische Details in Erfahrung zu bringen: Leider musste ich feststellen, dass der Service immer zum Trennpuffer rät. Spricht man den Hydraulikplan 5300 an, wird man auf Risiken hingewiesen: "Wir empfehlen wegen der ERR …". Klar, dass der risikoscheue HB dann den Trennpuffer anbietet. Erkläre ich dann dem Service, dass es aufgrund der bekannten hydraulischen Verhältnisse des Hauses kein Risiko gibt und unterlege das mit Daten, bekam ich 3x als Antwort: "Sie scheinen sich ja ganz gut auszukennen: so wie Sie es beschreiben, kann man das so bauen." Geht also: nicht "verbohrt"….da haben die Buderus-Mitarbeiter eisenharte Vorgaben. Ich durfte es 2x erleben. Ich frage mich aber: was ist bloß in der HB-Szene los??? Lassen sich alles vom Hersteller absegnen! Die 2 HB dagegen sind echte Edelsteine und selten anzutreffen. Was wir bei meiner Schwägerin für Angebotsgespräche hatten🙈… Gruß - Eddi
|