| | | | Zeit:
10.02.2026 11:19:22 |
Hallo, ich habe mir ein eigenes Schema gebaut. Funktioniert das? Idee: - Ich kann Heizkörper und FBH in einem Kreis betreiben. Wenn das nicht klappt und zu Problemen führt. Kann ich es per Absperrhahn trennen und zu zwei Kreisen mit Mischer ändern. - Der Überströmer stellt im Notfall den notwendigen Volumenstrom zur Verfügung. Was haltet ihr davon? Habe ich einen Denkfehler? Offene Fragen: Warum hat Vaillant hier diese spezielle Komponente im Schema? - Sollte ich vor dem Heizkörperkreis auch besser eine Pumpengruppe ohne Pumpe (mit Rohr) einbauen, sodass man theoretisch den Puffer schnell zu einem Pendelpuffer im Stich ändern kann? Also einfach den Überströmer komplett öffnen... Mein Setup: ca. 3 HK im Dauerbetrrieb 2 HK mit Temperaturregelung: Schlagen vs. Kinderzimmertemp 6 HK Keller Minialbetrieb 75 qm FBH aktuell ohne aktive ERR (zusätzlich mit Kamin)
|
| | Zeit:
10.02.2026 12:58:13 |
Zitat von Daniel.H  Hallo, ich habe mir ein eigenes Schema gebaut. Funktioniert das? Hast Du alles perfekt ausgelegt und abgeglichen, wird es gehen. An nur einem einzigen Betriebspunkt. Mit gemischter Pumpenguppe für FBH bist Du flexibler und hast zwei Betriebspunkte. Dein Setup sieht >4 Betriebspunkte vor. Real hast Du minimal drei Betriebspunkte: 1. KG (nicht Witterungsgeführt), 2 FBH (Witterungsgeführt), 3 EG/DG/..(Witterungsgeführt). Wenn Du die Einzelraumheizlast/Einzelraumheizleistung/Druckverluste nicht peniebel berechnet/gemessen hast, von dem ich ausgehe, baue gleich die gemischte Pumpenguppe für FBH ein. Sticheinbindung -> HK-Kreis mit Pumpe. RL- Pufferspeicher -> keine Pumpe im HK-Kreis + eventuell ÜSV, falls Hydraulik nicht passt. Zitat von Daniel.H  Hallo, Warum hat Vaillant hier diese spezielle Komponente im Schema? Ist ein Verteilerbalken
|
| | Zeit:
10.02.2026 13:28:04 |
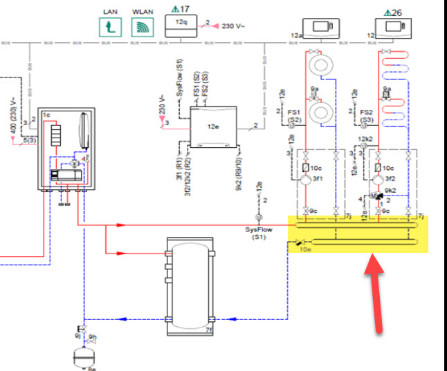
Danke für deine Antwort, Also nimmt man lieber in kauf, dass bei zu wenig Volumenstrom der Bypass öffnet, anstatt das Schema von Vaillant mit einem Puffer im Stich zu bauen? Offiziell müsste ich ja dieses bauen: Mein Gedanke wäre schon, mal auszuprobieren ob ich nicht auch mit einem großen Kreislauf hin komme. Oder habe ich gar keinen richtigen Vorteil?
|
| | Zeit:
10.02.2026 14:07:18 |
Am Besten du passt dich an den Mindestvolumenstrom an, dann brauchst gar keinen ÜSV. ÜSV sollte Notauslösung sein und nicht Dauerzustand. Wird es zu Dauerzustand - wird ÜSV zu Verschleißmaterial. ÜSV von Heimeier sind eindeutlich besser, als die von Vaillant. Zitat von Daniel.H  Mein Gedanke wäre schon, mal auszuprobieren ob ich nicht auch mit einem großen Kreislauf hin komme. Oder habe ich gar keinen richtigen Vorteil? Welche Basis hat dein Gedanke? Glück? ;) Wie schon geschrieben, du hast min. drei reale unterschiedliche Betriebspunkte. Wie willst Du mit einem Heizkreis diese realisieren?
|
| | Zeit:
10.02.2026 14:14:04 |
Zitat von Daniel.H  Hallo, ich habe mir ein eigenes Schema gebaut. Funktioniert das? Idee: - Ich kann Heizkörper und FBH in einem Kreis betreiben. Wenn das nicht klappt und zu Problemen führt. Kann ich es per Absperrhahn trennen und zu zwei Kreisen mit Mischer ändern. - Der[...] Also wenn ich das jetzt richtig gesehen habe, dann hast du nach dem Umschalten keinen Parallelpuffer/Weiche zwischen der Pumpe in der Hydraulikstation und der Mischergruppe. Das macht man so nicht, da die beidem Pumpen dann nicht hydraulisch entkoppelt sind. Dann besser auf den Mischer verzichten. Wieviel Nennleistung ist denn geplant?
|
| | Zeit:
10.02.2026 14:17:22 |
Mein Gedanke für einen Heizkreis ist: - Die 3 relevanten Heizkörper auf Typ 33 ändern, sodass man genügend Leistung hat. Und dann schauen ob 35 Grad ausreichend sind. (Laut Einzelraumberechnung sollte es fast passen) - Den hydraulischen Abgleich für HK im Keller so einstellen, dass nur eine Grundlast bereitsteht - Die Fußbodenheizung-Kreise am Verteiler komplett schließen und dann schrittweise öffnen, bis genügend Leistung je Raum bereitgestellt wird. Das heißt, anstatt eine gemischten FBH Kreis, regel ich einfach die einzelnen heizkreise soweit im Volumenstrom, dass sie zu dem Gesamtsystem passen In 1-2 Jahren plane ich noch Klimaanlagen in den relevanten Räumen einzubauen, dann könnten ja auch diese zur Not unterstützen?
|
| | Zeit:
10.02.2026 14:21:35 |
Das Haus hat laut Einzelraumberechung 6,9 kW.
Ich plane die 7er von Vaillant gerade: Nennwärmeleistung (A-7/W35): 6,94 kW Nennwärmeleistung (A7/W35): 2,67 kW
|
| | Zeit:
10.02.2026 15:21:40 |
Zitat von Daniel.H  Mein Gedanke für einen Heizkreis ist: - Die 3 relevanten Heizkörper auf Typ 33 ändern, sodass man genügend Leistung hat. Und dann schauen ob 35 Grad ausreichend sind. (Laut Einzelraumberechnung sollte es fast passen) - Den hydraulischen Abgleich für HK im[...] Wenn du einen Mischer verwenden möchtest brauchst du eine hydraulische Entkopplung, sonst arbeiten zwei Pumpen gegeneinander. Wie läuft die Anlage den aktuell? Am besten ist den Abgleich so gut wie möglich vorher zu machen
|
| | Zeit:
10.02.2026 16:14:52 |
Zitat von vomNiederrhein  Zitat von Daniel.H  [...] Wenn du einen Mischer verwenden möchtest brauchst du eine hydraulische Entkopplung, sonst arbeiten zwei Pumpen gegeneinander. Wie läuft die Anlage den aktuell? Am besten ist den Abgleich so gut wie möglich vorher zu machen Ich kann leider aktuell nicht Abgleichen. An der Gasheizung ist die Steuerung der Ladepumpe für den WW-Speicher defekt. Das heißt die Pumpe läuft immer. Das heißt ich habe aktuell als Vorlauf im Heizungssystem immer meine WW-Ladetemperatur. Meine FBH hat aktuell eine Festwert- Regelung -> Ein Thermostat mit dem man den Mischer händisch auf eine Gradzahl einstellt. Läuft immer auf rund 25 Grad Vorlauf und der Kamin im Wohnzimmer muss dann mehr oder weniger oft an.
|
| | Zeit:
10.02.2026 16:21:49 |
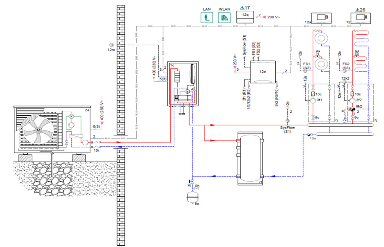
Zitat von Daniel.H  Danke für deine Antwort, Also nimmt man lieber in kauf, dass bei zu wenig Volumenstrom der Bypass öffnet, anstatt das Schema von Vaillant mit einem Puffer im Stich zu bauen? Offiziell müsste ich ja dieses bauen: [Bild] Mein Gedanke wäre[...] Wenn du einen Vaillant Partner in Deutschland findest, der dir den Parallel-Stichpuffer baut, hast du eh schon Glück
|
| | Zeit:
10.02.2026 16:29:09 |
Zitat von Daniel.H  Hallo, ich habe mir ein eigenes Schema gebaut. Funktioniert das? Also wenn es dir nur darum geht, ob der Aufbau funktionieren wird, dann ja - wird es. Brauchst Du zzgl. VR71, um gemischte Pumpengruppe zu betreiben. Wenn Du schon ne Pumpengruppe einbaust, dann hole gleich den VR71. So habe ich zumindest gemacht. Zusätzlich mit Raumaufschaltung.
|
| | Zeit:
10.02.2026 16:49:51 |
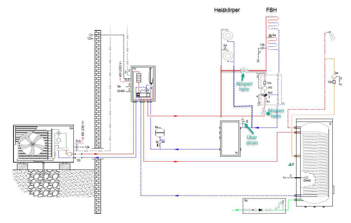
Zitat von BoomChocoPopp  Zitat von Daniel.H  [...] Also wenn es dir nur darum geht, ob der Aufbau funktionieren wird, dann ja - wird es. Brauchst Du zzgl. VR71, um gemischte Pumpengruppe zu betreiben. Wenn Du schon ne Pumpengruppe einbaust, dann hole gleich den VR71. So habe ich zumindest gemacht. Zusätzlich mit[...] Ich muss sagen, dass ich das Set verdammt teuer finde mit 2263 € nur um einen zweiten Heizkreis betrieben zu können. Bei Buderus kostet das Erweiterungsset HK2 nur 740 € und ergibt in meinen Augen das gleiche...
|
| | Zeit:
10.02.2026 17:13:43 |
Zitat von Daniel.H  Zitat von BoomChocoPopp  [...] Ich muss sagen, dass ich das Set verdammt teuer finde mit 2263 € nur um einen zweiten Heizkreis betrieben zu können. [Bild] Bei Buderus kostet das Erweiterungsset HK2 nur 740 € und ergibt in meinen Augen das gleiche... Habe mich über K-Anzeigen, Ebay bedient. Insgesamt um ca. 1000-1300€ Materialkosten. Nur VR71 und VR92 war von Vaillant, PG von OV, Pumpe von Grundfos, ÜSV von IMI, Verschraubungen von Viega. Planung/Berechnung war eher der schwierigste Teil, weil ich Platzmangel und etwas komplizierte Hydraulik aufgebaut habe.
|
| | Zeit:
10.02.2026 17:29:15 |
Zitat von BoomChocoPopp  Zitat von Daniel.H  [...] PG von OV, Pumpe von Grundfos[...] Gibt es dort keine Probleme in der Ansteuerung? Kann die VR71 jede Pumpe steuern? Ist dass keine spezielle Drehzahlregelung in Abhängigkeit der Hauptpumpe in der Wärmepumpe?
|
| | Zeit:
10.02.2026 18:02:35 |
Hallo, Dein Schema ist absolut o.k.. Bei Panasonic L-Serie gibt es ein entsprechendes Innengerät, das den zweiten Heizkreis mit der Mischergruppe und Regelung schon fest verbaut hat. Das kannst Du natürlich wie in Deinem Schema erweitern, mit Ventilen, um die Mischergruppe bei Bedarf zu überbrücken, und das ÜSV und den RR-Puffer. Wenn Dir das keiner baut, musst Du es halt selber machen. V.G. R.
|
| | Zeit:
10.02.2026 22:15:07 |
Zitat von Recardo  Hallo, Dein Schema ist absolut o.k.. Bei Panasonic L-Serie gibt es ein entsprechendes Innengerät, das den zweiten Heizkreis mit der Mischergruppe und Regelung schon fest verbaut hat. Das kannst Du natürlich wie in Deinem Schema erweitern, mit Ventilen, um die Mischergruppe bei Bedarf[...] Du gehst davon aus, die Mischergruppe zieht nicht den ungemischten Kreis leer? / bzw. gibt Hydraulikprobleme? Aber die VR71 brauche ich dann ja trotzdem, um den Mischer anzusteuern?
|
| | Zeit:
10.02.2026 22:41:10 |
Zitat von Daniel.H  Zitat von BoomChocoPopp  [...] Gibt es dort keine Probleme in der Ansteuerung? Kann die VR71 jede Pumpe steuern? Ist dass keine spezielle Drehzahlregelung in Abhängigkeit der Hauptpumpe in der Wärmepumpe? VR71 macht nur an und aus. Einstellungen sind an der HKP direkt vorzunehmen.
|
| | Zeit:
10.02.2026 22:45:18 |
Zitat von Daniel.H  Zitat von Recardo  [...] Du gehst davon aus, die Mischergruppe zieht nicht den ungemischten Kreis leer? / bzw. gibt Hydraulikprobleme? Aber die VR71 brauche ich dann ja trotzdem, um den Mischer anzusteuern? Auch ungemischte Gruppe hat einen Rückflussverhinderer. Nimmst Du keine Gruppe für ungem. Kreis, musst Du einen RV einbauen. Passiert aber nur, wenn deine Mischerpumpe stärker zieht, als WP-HKP. Ich gleiche mit n=const ab.
|
| | Zeit:
11.02.2026 09:29:06 |
Zitat von BoomChocoPopp  Zitat von Daniel.H  [...] VR71 macht nur an und aus. Einstellungen sind an der HKP direkt vorzunehmen. Für An-Aus kostet die VR71 mit ~700€ aber verdammt viel Geld....
|
| | Zeit:
11.02.2026 09:56:10 |
Hattest du nicht geschrieben, dass die hk auch sehr wenig vlt haben? Sollte das dann nicht alles gehen ohne Mischer?
|
| | Zeit:
11.02.2026 20:15:17 |
Daniel H.: "Du gehst davon aus, die Mischergruppe zieht nicht den ungemischten Kreis leer? / bzw. gibt Hydraulikprobleme? Aber die VR71 brauche ich dann ja trotzdem, um den Mischer anzusteuern?"
Panasonic schreibt dazu, dass die Volumenströme in beiden Zweigen in etwa gleich groß sein sollten.
|