| | | | Zeit:
17.03.2025 23:35:48 |
Guten Abend, ich plane meine Heizung durch einen Luftwärmepumpe zu ersetzen und möchte zusätzlich einen wassergeführten Kaminofen einbauen. Wie sollte ich in dieser Kombination am besten das Brauchwasser erwärmen? Ich dachte an einen Hygienespeicher? Oder gibt es sinnvollere Alternativen? Auf der Suche nach einem Hydraulikschema habe ich Folgendes gefunden: Kann ich hier den Heizungssssspeicher einfach durch einen Hygienespeicher ersetzen? Macht es Sinn für den Holzofen einen zweiten Pufferspeicher zu planen? Nicht dass die Wärme des Ofens nicht aufgenommen werden kann, weil die Wärmepumpe den Hygienespeicher grade geladen hat? Ich würde mich über Antworten freuen. Viele Grüße Fabian
|
| | Zeit:
18.03.2025 08:10:57 |
Ist das Holz umsonst?
Warum wassergeführten Ofen?
Wo hast du gesucht? Hier wohl eher nicht sonst wäre die Marker Rabau aufgefallen mit seiner Hydraulik
|
| | Zeit:
18.03.2025 08:16:04 |
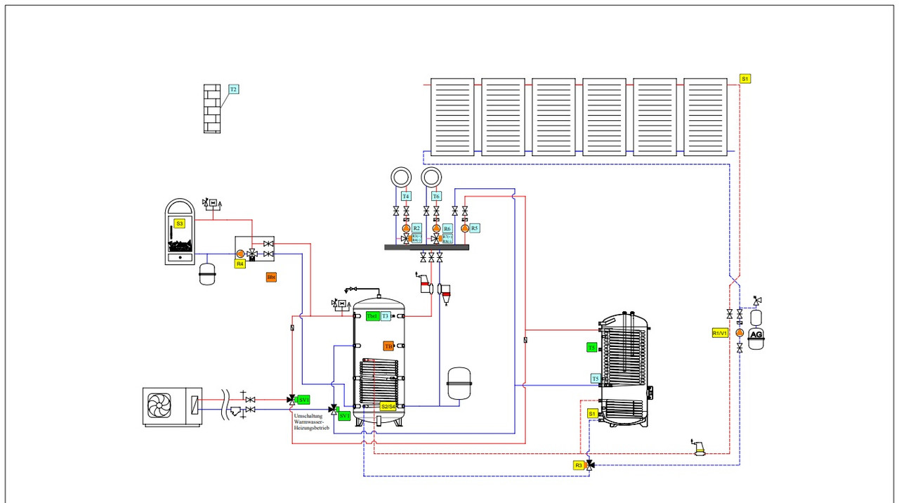
Hallo, etwas mehr an info braucht es schon. FBH oder Heizkörper? welche VLT? Habe selbst die Kombination und würde die auch so wieder machen, aber nur, weil Holz mich bisher nur die Arbeit gekostet hat und der Kaminofen jeden Tag in der Heizsaison läuft. Wenn Holz zugekauft werden muß und der Ofen nur am Abend/WE betrieben werden kann würde ich die Wassertasche weglassen. Immerhin braucht so ein Ofen ca. 3/4 Stunde eh da was in den Heizungskreislauf geht. Und die Hydraulik incl. Steuerung wird nicht gerade einfacher, kostet also eine Menge mehr. Mein Hydraulikschema findest Du hier und auch den Weg dahin. https://www.haustechnikdialog.de/Forum/t/270788/Aufbau-Hydraulik-WP-und-Kaminofen Gruß Heinz
|
| | Zeit:
14.06.2025 07:59:41 |
Hallo zusammen, mein Nachbar hat sich einen Holzvergaser in Kombination mit einer Wärmepumpe zugelegt und ist top zufrieden. Man kann nicht alle Öfen mit Wassertasche unter einen Hut bringen, wenn man ein richtiges Heizgerät wie z.B. den Walltherm OFen nimmt dann bekommt man ordentlich Wärme in den Speicher und die Wärmepumpe springt nicht so oft an. Also sinnvoll oder? Ich möchte mich nicht alleine auf die Stromversorger verlassen, weil die werden die Strompeise anziehen .... dann lieber etwas mit Holz nachhelfen. Na ja das ist halt mein Gedanke zum Thema. Grüße in die Runde Johann
|
| | Zeit:
14.06.2025 09:44:36 |
warum nicht noch eine Gasheizung dazu, falls neben den Strompreisen auch die Gaspreise steigen? Und natürlich eine Ölheizung, weil auch die Gaspreise können steigen. Und ganz klar, da muss noch Solarthermie her. Und ein Direktheizstab für die PV. Hab ich noch irgend einen anderen Unsinn vergessen? Vielleicht noch einen Fernwärmeanschluss dazu... Keine Sorge, andere Menschen wollen alle immer nur dein Bestes, nämlich dein Geld! Und heizen wird nicht billiger werden, egal wie du in Zukunft heizt. Bei Strom kannst du dich ggf. mit PV zu einem Teil unabhängig machen, bei allem anderen bist du vermutlich komplett ausgeliefert. Mit den Mehrkosten die du allein bei der Errichtung hast kannst du eine ganze Weile steigende Preise ausgleichen. Von dem Mehrkosten durch den schlechteren Wirkungsgrad der kombinierten Anlage ganz zu schweigen. Wenn der Ofen mit Wassertasche da ist (und das Holz nichts kostet), dann kann man drüber nachdenken. Aber ihn jetzt zusammen mit der WP anschaffen zu wollen ist komplett unsinnig. Und der Nachbar ist top zufrieden... super, dann hat die Psychologie schonmal gewirkt. Das sagt aber leider noch rein gar nichts über die Kosten seiner Anlage in Sachen Investition und Betrieb aus, oder über die Langzeitzuverlässigkeit, etc. Ein "ich bin zufrieden" entsteht meist schon dann, wenn die Bude warm ist (was beim Ofen schnell gegeben ist, selbst mit Wassertasche... wohin nur mit der Wärme?) und die Kosten gegenüber der alten Lösung zumindest augenscheinlich gefallen sind. Ob das ganze dann wirklich gut harmoniert und günstig arbeitet... die Mühe das nachzuvollziehen macht sich doch kaum einer... und wenn doch hätte er sich vermutlich im Vorfeld informiert und gegen die Lösung entschieden.
|
| | Zeit:
14.06.2025 10:20:24 |
Hallo Fabian, hier im Forum herscht überwiegend die Meinung Wassergeführter Ofen und WP ist böse. Es mag sehr oft wirklich so sein das es sich nicht lohnt den Finanziellen Mehraufwand zu betreiben. Aber ich weis jetzt nicht wie du aufgestellt bist was du dir zutraust und wie deine Mittel sind , auch im Bezug auf Holz Verfügbarkeit. Das würde ich mir jetzt als erstes durch den Kopf gehen lassen. Dann muß ein Konzept her mit allen was es an Technik braucht , und da geht es dann schon los da wollen viele HBler nicht ran, das ist Fakt ,weil deine Anlage viel komplexer wird. Auch wirst du etwas an Effizienz einbüsen, das ist unvermeidbar, aber wenn ich Wärme günstig mit Holz erzeugen kann vorallem in der Frostperiode dann spart das auch an WPstrom. Ich baue grad meine Anlage so um wie du das vorhast, Ofen mit 1000l Puffer ist Bestand und Öler wird gegen WP getauscht. Anlage steht und ist zu 90% verrohrt. Ich habe jetzt dann 2000l Puffer in, Puffer 1 ist eine Hygienespirale drin für Warmwasser und Puffer 2 ist Bestand und in Reihe angebunden. Puffer 1 war das Problemkind weil viele Hersteller hier schnell kalte Füsse bekommen, wenn sie WP und Wassergeführten Ofen hören. Mein Puffer hat eine Schichttrennung bei 500l und soll bei 50° 230l Schüttung bringen , schau ma mal. Bei den Pufferspeichern mit Hygienewendel gibt es unzählige Hersteller mit teils horenden Preisen, da muß man sich durcharbeiten. Mein HBler hat mir einen für 6500€ angeboten , der verbaute hat 2500€ gekostet , Erfahrung habe ich jetzt noch keine da muß erst noch ein Winter ins Land. Ich hoffe das ich durch meine fast 2 jährige Vorbereitung und Infos ,das ganze zum laufen bekomme, da ich alles selbst eingebaut habe. Also setze dich mit der Sache auseinander und beginn nicht Voreilig mit irgend was, Möglich ist es auf jeden Fall, ob sinnvoll kannst nur du wissen.
|
| | Zeit:
14.06.2025 10:50:52 |
Zitat von WP Schlumpf  Auch wirst du etwas an Effizienz einbüsen, das ist unvermeidbar, aber wenn ich Wärme günstig mit Holz erzeugen kann vorallem in der Frostperiode dann spart das auch an WPstrom. Logisch. Und wenn er viel Wärme mit Gas erzeugt, dann spart das auch WP-Strom. Oder mit Öl. Wir müssen sparen, koste es was es wolle!!! Zitat von WP Schlumpf  Ofen mit 1000l Puffer ist Bestand was schonmal eine ganz andere Ausgangsvoraussetzung ist, als beim TE. Wie es bei Johann ausschaut wissen wir ja nicht. Das ganze "zum Laufen bekommen" ist ja das eine... wenn das schon nicht klappt, dann ist es wirklich eine katastrophale Fehlplanung (was mir bei 2 x 1000l Puffer schon irgendwie so klingt). Aber wenn es klappt sagt das erstmal noch null über die Wirtschaftlichkeit aus. Da spielen die Preise und Betriebskosten fürs Holz dann noch rein, der Wirkungsgrad vom Holz, und natürlich die zusätzlichen Anschaffungskosten. Und wer das Holz dann tatsächlich so billig oder gar geschenkt bekommt... warum dann eine WP? Selbst wenn es eine Zweitheizung braucht, für Tage wo mal keiner mit Holz heizen kann... da kann man dann doch beim besser passenden und billigeren Gaser oder Öler bleiben, denn die Kosten sollten da ja dann eh nahe null liegen. Andererseits ist das mit "Holz umsonst" natürlich auch so ein Märchen, wie mit "PV-Strom im Heizstab verbraten, weil kostet doch nix". Den Wald zu bewirtschaften kostet auch Geld, incl. der Ernte, und das Holz könnte man genausogut auch verkaufen statt selbst zu nutzen. Also steht auch hinter dem "kostenlosen Holz" ein Eurobetrag, außer der Kumpel bringt ständig welches vorbei, mit der Auflage es aber nur selbst nutzen zu dürfen.
|
| | Zeit:
14.06.2025 11:52:30 |
Hallo Gnampf, für welche NGO tust Du hier immer Deine Meinung gegen Holzverbrennen kund? Und das überwiegend nur mit Schlagworten statt Fakten. Im Wald wächst nicht nur Nutzholz, es fällt auch jede Menge Brennholz an. Kann man natürlich, wenn man schön grün ist alles im Wald lassen.... Hallo Schlumpf, mit dem Schichtspeicher das wird ein Schuss in den Ofen. Auch die Schichtplatte kann nicht verhindern, daß sich oben heiß und unten kalt versuchen auszugleichen, nur nicht über strömendes Wasser sondern über stehendes, dauert also nur länger, geht aber mächtig ins Geld. Lies meinen weiter oben verlinkten Beitrag dazu. Die Anlage lief jetzt eine Saison im zuletzt gezeigten Schema zu meiner vollen Zufriedenheit. Hier kannst Du sehen, was die WP jeweils halbmonatlich verbraucht hat neben dem Kaminofen. Bedarf ca. 200 m² WF und Werkstatt 70 m² nicht besonders isoliert, aber nur auf 15° geheizt. https://www.haustechnikdialog.de/Forum/t/277492/1-Jahr-PV-und-WP-halbmonatliche-Zahlen?page=2 Die Speichergröße hängt ja auch davon ab, wieviel WW gebraucht wird, aber 1.ooo ltr sind schon ein Wort. Laß aber den einen Speicher mit dem Heizwedel ausschließlich für WW laufen und sorge, daß der wirklich ordentlich isoliert ist. Da sind ja Temperaturen 45° aufwärts bis ca. 70° wenn der Kaminofen heizt. Gruß Heinz
|
| | Zeit:
14.06.2025 12:12:26 |
Als Hinweis für alle die in diesem Thread geantwortet haben, der aufgrund des Beitrags von @johann1960 nach circa 3 Monaten wieder hochgeholt worden ist, dass der TS u. U. nicht mehr mitlesen könnte. 😉
|
| | Zeit:
14.06.2025 12:13:26 |
Zitat von Karker Rabau  für welche NGO tust Du hier immer Deine Meinung gegen Holzverbrennen kund? Vielleicht solltest du dir meine Beiträge einfach mal mit Verstand durchlesen und versuchen zu verstehen? Ich habe keine Meinung gegen "Holzverbrennen". Holz kann durchaus sinnig genutzt werden als Heizung, in Altbauten in denen nur mit massivem Aufwand oder gar nicht (wegen Denkmalschutz) mit geringen Temperaturen gearbeitet werden kann. In einen Neubau aber einen Ofen einzubauen ist einfach nur Blödsinnig. Holz ist nunmal eine Resource, die uns auch nur begrenzt zur Verfügung steht, und auch viele weitere sinnvolle Einsatzzwecke hat. Zitat von Karker Rabau  Und das überwiegend nur mit Schlagworten statt Fakten. Oha, ja, danke für die Aufklärung, jetzt wissen alle Bescheid Zitat von Karker Rabau  Im Wald wächst nicht nur Nutzholz, es fällt auch jede Menge Brennholz an. Kann man natürlich, wenn man schön grün ist alles im Wald lassen.... Ja... und? Was ist denn Brennholz? Unverkäuflich ganz sicher nicht, das würde so manchen Ofenbetreiber freuen, der gerade bei Abnahme von Kleinmengen im Baumarkt kräftig dafür blechen darf.
|
| | Zeit:
14.06.2025 16:29:14 |
Uih, ist das mal wieder ein Wettstreit über die Meinungshoheit hier…. Wir haben uns vor 12 Jahren für einen ganz normalen, aber sehr schönen Kaminofen entschieden. Und durch den gehen im Jahr ca. 2RM (selbstgemachtes) Scheitholz durch. Demnächst kommt die WP rein und dann wird es wahrscheinlich weniger. Wir hatten uns bewusst gegen eine Wassertasche entschieden, da wir den Kaminofen auch als Notheizung sehen. Wenn kein Strom da ist, dann tut weder Gas, Ol, WP, Fernwärme mehr, auch nicht der Kaminofen mit Wassertasche, der muss da ausbleiben sonst siedet das Wasser.
|
| | Zeit:
14.06.2025 20:21:44 |
Passt hier Garde schön. Mein alter Kamin war ja mit der neuen Regelung nicht mehr erlaubt. Ich hab dem nicht nach getrauert. Aber die beste Lebensgefährtin schon. Wir haben jetzt einen hoffentlich noch besseren Krisen Vorsorge Kompromiss gefunden. Da kommt eine Küchenhexe hin. Mit Außenluft Anschluss. Dann kann ich heizen, backen und kochen. Ganz ohne Strom. Der schwarze Mann hat sein ok gegeben, Montag bestelle ich das Teil. Bei Öfen kann man scheinbar genau wie bei WP mit diy extrem viel sparen, wenn man es richtig macht
|