| | | | Zeit:
20.03.2025 10:59:22 |
Hallo zusammen, ich benötige mal eure Hilfe. Ich steh zwischen der Wahl einer Nibe S2125 12kW und einer S2125 16kW Mein Haus ist Baujahr 1994 194m² Wohnfläche Standort PLZ 49811 Im Jahr 1997 hatte ich einen Ölverbrauch von 2700 Liter inkl. WW für 4 Pers. Im BWP komme ich durch Eingabe des Verbrauchs auf eine Heizlast von 11,6 kW Eine Heizlastberechnung nach DIN ist noch nicht gemacht worden. Diesen Winter konnte ich die VL-Temp auf 45° begrenzen ohne dass es bei einer AT von -5° im Haus kalt wurde. Im Sommer letzten Jahres habe ich die Dachschrägen und Dachboden komplett mit Dämmstoff ausblasen lassen. Zusätzlich ist 2004 ein Kaminofen mit 5kW Wärmetauscher und 2009 eine Solarthermie mit 10kW installiert worden. Ich möchte jetzt zukünftig mein Haus mit der Nibe heizen ggf. auch ohne Kaminnutzung, denn im Alter weiß ich nicht, in wieweit das dann noch möglich ist. Ich stehe jetzt vor der Wahl die S2125 12kW oder 16kW Variante einbauen zu lassen. Ich habe die Bivalenzpunkte mal über ein Diagramm ermittelt. Danach hätte ich bei der 12kW Bivalenz bei -3°C und bei der 16kW liegt der Punkt bei -7°C NAT für diesen Standort ist -9,1°C Die 12 kW würde erst bei +12°C anfangen zu takten und die 16kW schon bei +5°C Der NIBE Fachmann sagte mir, dass insbesondere diesen Winter in unseren Breiten die WP´s bei diesjähriger Witterung sehr viel enteisen mussten und deshalb sie grundsätzlich eine S2125-12kW nur noch bis zu einer Heizlast bis 10,5kW empfehlen. Da ich das Dach letztes Jahr habe dämmen lassen und gelesen habe, dass Takten neben Verschleiß auch Effizienz kostet, bin ich mir nicht sicher welche Leistungsstufe ich nehmen soll. Was könnt ihr mir raten? Vielen Dank vorab für eure Hilfe. Ich hoffe ich kann hier auch ein Bild der Diagramme einstellen. Ich versuchs mal mit Links: 12kW Variante: https://drive.google.com/file/d/1LAXr0ggDhNqlqAefD7ZjpNI-DUVsfvEb/view?usp=sharing 16kW Variante: https://drive.google.com/file/d/11CJU6G9bf5jaj_ngp7Rt25hnPrdMhjkA/view?usp=sharing
|
| | Zeit:
20.03.2025 11:10:26 |
Ich würde die 12er nehmen. Bei den schlimmsten Abtautemperaturen ist noch Puffer (ja minimaler) vorhanden. Kälter wird es im dauerhaften Schnitt eher nicht. Du hast noch nachgedämmt, dazu aber keine tatsächlichen Verbrauchszahlen.
|
| | Zeit:
20.03.2025 11:13:40 |
Hier nochmal die Bilder aus Postimages: |
| | Zeit:
20.03.2025 12:05:55 |
Die Heizlast ist garantiert verkehrt, über den BWP hülle ich dezent den Mantel des Schweigens, mit beiden WPs würde eine Überdimensionierung zwangsläufig sein. (bei der 16er brutal!) Ich hatte z.B. 50.000 KWh/a Gas und meine Heizlast beträgt 8,8 KW (all over 360 m2, Bj. 89) . Also vernünftig dimensionieren (per WMZ oder per qualifizierter Heizlastberechnung, nicht 0815 über ein wärmepumpenaffines Ingenieurbüro) und dann weiter planen. Was die Haushydraulik kann, dazu wurde gar nichts erwähnt : Das macht man zuerst und nicht erst bestellen und dann merken, das es vorne und hinten nicht passt! :-) Gruß Dipl.-Ing. Anlagentechnik Frank-Rolf Roth www.waermepumpendoktor.com (Planung, Baubegleitung, Anlagen-Optimierung, Betreiberschulung) Referenz-Wärmepumpenanlage der Energieagentur-NRW So wird’s gemacht: https://www.youtube.com/watch?v=JqPpRR6vQl4
|
| | Zeit:
20.03.2025 12:35:22 |
Für die Anbindung der Solarthermie und Kaminofen wurde dieses Schema vorgeschlagen. Die Kaminanbindung ist noch nicht eingezeichnet. Grundsätzlich soll die WP direkt in den HKR einspeisen. Ich habe ausschließlich Heizkörper. Nur wenn oben am Speicher ausreichend Wärme vorhanden ist, wird per Mischer zugemischt. |
| | Zeit:
20.03.2025 12:43:21 |
Ich halte auch beide für zu groß.
|
| | Zeit:
20.03.2025 15:26:22 |
Um ein Missverständnis von vornherein auszuschließen... zumindest für die kleinere S2125-8/12 bezieht sich der Zusatz nicht auf die Wärmeleistung sondern auf die max. Verdichter Fqz. sprich 80Hz bzw 120Hz, die der Verdichter leisten kann, daraus ergibt sich eine Leistung für die 12er von rund 9-10kw. nun muss man dann auch berücksichtigen, dass die 8er und 12er das gleich große Gehäuse haben...sprich die 12er produziert irgendwas bei 30-40% mehr Leistung. Das führt dann bei hohem Leistungsbedarf zu einer Erhöhung der Abtaufrequenz. gerade heuer war das tw. etwas problematisch (Dez-Jan. bei temp. von +4 bis -2° oderso) und sehr hoher Luftfeuchtigkeit. Abtauen alle 35-40min... Ohne deine genauen Vorraussetzungen zu kennen, würde eine Heizlast jenseits von 10kw eher Richtung 16er hindeuten.
|
| | Zeit:
20.03.2025 15:54:22 |
Ja, da hast Du wohl recht. Es handelt sich eher um eine 12er bzw. 16er Variante und nicht kW Angabe. Die 16er schafft ja nach obigen Leistungsdiagramm deutlich weiter Richtung NAT zu kommen. Wo hingegen die 12er schon bei -3°C theoretisch zuheizen müsste. Meine Bedenken bei der 16er sind, dass sie aufgrund der min.Leistung von 5kW einfach zu früh (ab ca. +5°C) bis zur HG (15°C oder höher) anfängt zu takten. Während die 12er dies erst ab ca. +12°C macht. Wobei die JAZ der 16er (ca. 4,92) bei VL45°C besser ist als bei der 12er. (ca. 4,6) Es stellt sich mir einfach die Frage, was ich eher in Kauf nehmen sollte. Mehr Takten bei der 16er oder öfteres zuheizen bei der 12er ab Bivalenz unterhalb -3°C.
|
| | Zeit:
20.03.2025 16:18:35 |
Ganz grundsätzlich glaube ich, dass weder das eine noch das andere ein großes Problem darstellt, wenn alles rundherum so funktioniert und dimensioniert ist, wie es sein soll. Man sollte sich mM nicht zu sehr auf das Takt-Dogma versteifen und wenn der Heizstab das ein oder andere mal zuheizt ist das auch kein Beinbruch. ich hab die S2125-12 und hab zB die Zusatzheizung ab +3°C freigegeben. weil eben wie diesen Winter das Vereisungsthema ein großes war. Bei einer Abtauung alle 40min fallen die Gradminuten einfach sehr schnell in den Keller und würden dort wohl bis zum Frühlingsbeginn auch bleiben...da hilft die ZH einfach mit nur wenigen Minuten Laufzeit, um die GM aus dem Keller zu heben und dem Verdichter etwas " Luft" zu geben. je nach Wohnsitz betrifft das aber oft nur wenige Wochen im Dez-Jan. Und Takte..ja...ich hatte 430 Takte in 2 1/2 Jahren...(kein Sommerbetrieb weil Brauchwasser entkoppelt mit eigenem WPBoiler)...und dann war die Hauptplatine kaputt. Also...wenig Takte sind schön aber ich würde auch da nicht jedem Dogma hinterher laufen. und zur Auslegung..."so klein wie möglich, so groß wie nötig"...ja, klingt schön, allerdings wenn es dann Witterungen gibt, die gerade die LuftWP an die Grenzen bringen ... ists auch wieder kompliziert, wenn genau dann die "Schwellenleistung" nicht mehr erreicht werden kann.
|
| | Zeit:
20.03.2025 20:59:43 |
Zitat von nomuetze  Um ein Missverständnis von vornherein auszuschließen... zumindest für die kleinere S2125-8/12 bezieht sich der Zusatz nicht auf die Wärmeleistung sondern auf die max. Verdichter Fqz. sprich 80Hz bzw 120Hz, die der Verdichter leisten kann, daraus ergibt sich eine Leistung für die 12er[...] Das ist falsch! Die Kennziffern "-8" bzw. "-12" bei NIBE-WP bedeuten: "Lt. NIBE geeignet für Heizlasten bis zu 8 bzw. 12 kW bei NAT = -14 °C" (siehe NIBE-Datenblätter!) Für andere NAT als -14 °C muss das dann umgerechnet werden. Für NAT -9 °C liegt die max. empfohlene Heizlast für die -12 dann bei ca. 10 kW. Das entspricht dann auch der Aussage des NIBE-Technikers. Wenn Deine Heizlast 11,6 kW bei -9 °C ist, wäre die -12 also eindeutig zu klein! In diesem Forum gibt es auch einen langen Thread über die S2125-12, die offensichtlich ziemliche Probleme mit dem Enteisen hat. Diesen Thread solltest Du Dir erstmal durchlesen!
|
| | Zeit:
20.03.2025 21:27:28 |
Zitat von nomuetze  Bei einer Abtauung alle 40min fallen die Gradminuten einfach sehr schnell in den Keller [...] Alle 40 Minuten Abtauung ist aber ziemlich oft. Ich habe gerade mal in meinen Aufzeichnungen nachgeschaut und meine WP hat diesen Winter selbst bei Nebelwetterlage und Temperaturen leicht über 0 Grad maximal alle 90 Minuten abgetaut. Ist allerdings keine Nibe
|
| | Zeit:
20.03.2025 21:53:52 |
Zitat von Pete1208  Zitat von nomuetze  [...] Das ist falsch! Die Kennziffern "-8" bzw. "-12" bei NIBE-WP bedeuten: "Lt. NIBE geeignet für Heizlasten bis zu 8 bzw. 12 kW bei NAT = -14 °C" (siehe NIBE-Datenblätter!) Für andere NAT als -14 °C muss das dann umgerechnet werden. Für NAT -9 °C liegt die max.[...] stimmt, ich ziehe meinen Beitrag zurück und behaupte das Gegenteil...danke! Vielleicht kommt daher meine Verwirrung ... wobei geeignet für Heizlast nicht per se bedeutet, dass das Gerät auch nur annähernd 12kw erreicht... Die Lernkurve bei dem Betrieb einer LuftWP ist jedenfalls eine steile und lange...
|
| | Zeit:
21.03.2025 08:43:02 |
Zitat von nomuetze  Zitat von Pete1208  [...] wobei geeignet für Heizlast nicht per se bedeutet, dass das Gerät auch nur annähernd 12kw erreicht...[...] Man darf nicht "Heizlast des Gebäudes" mit " Heizleistung der WP" verwechseln. Nibe setzt bei der Auslegung voraus, dass bei NAT zu einem gewissen Grad der Heizstab mit hilft. Und das ist auch eine verbreitete Vorgehensweise. Temperaturen um die NAT sind so extrem selten, das es wenig Sinn macht, eine WP so auszulegen, dass sie auch noch bei NAT ohne Heizstab-Einsatz auskommt. Sie wäre dann überdimensioniert.
|
| | Zeit:
21.03.2025 08:55:54 |
Zitat von Sfeele  Es stellt sich mir einfach die Frage, was ich eher in Kauf nehmen sollte. Mehr Takten bei der 16er oder öfteres zuheizen bei der 12er ab Bivalenz unterhalb -3°C. Wenn deine Heizlast wirklich bei 11,6 kW liegen sollte, hast du ein Problem: Die -12 ist zu klein, die -16 eigentlich zu groß. Die entscheidende Frage ist, ob deine Heizlast wirklich 11,6 kW beträgt. Es gibt verschiedene Verfahren, die Heizlast zu ermitteln. Abhängig vom Verfahren sind die Ergebnisse unterschiedlich genau. Das Wissen um die wirkliche Heizlast ist das A & O der WP-Auslegung. Da kann man gar nicht sorgfältig genug vorgehen.
|
| | Zeit:
17.04.2025 11:39:49 |
Hallo zusammen, um in der Übergangszeit ein übermäßiges Takten der WP zu vermeiden, überlege ich ggf. den Hygienespeicher als Parallelpuffer mit Stichanbindung einzubinden. Dazu würde ich den VL und RL nach dem VVM320 parallel in den unteren Bereich des Hygienespeichers fahren. Sollte dann durch Schließen des HKR Volumenüberschuss entstehen, würde dieses Volumen in den (Parallel) Speicher gelangen und die WP könnte länger laufen. Eine Alternative wäre noch um Durchmischung zu vermeiden, diesen Parallelabgriff nicht direkt in den Speicher zu bringen, sondern über den unteren oder oberen WT des H-Speichers. Dort wird per Umschaltung auch die Solarthermie einspeisen. Wäre so etwas sinnvoll? Die Idee meines Heizungsbauers ist einen zus. 500Liter Parallelpuffer im VL und RL der WP nach der VVM320 einbinden. Nur VL-oben rein und oben raus und RL nur unten rein. Da habe ich aber Bedenken, dass ich massive Durchmischung bekommen würde. Hier mal ein Schema dazu: Für Anregungen wäre ich sehr dankbar [img] [/img]
|
| | Zeit:
19.04.2025 21:43:23 |
Hallo Leute, gibt es eine NIBE Solewärmepumpe, die nur 1,00 m hoch ist. Bei mir ist eine Schräge so dass ich nur eine kleine Bauhöhe hinkriege, Vermutlich gibt es das nicht. DSie Pumpe muss etwa 10 kW leisten. Gerne auch eine alternative Pumpe, mit MQTT-Schnittstelle. Viele Grüße Geoluchs
|
| | Zeit:
20.04.2025 10:10:11 |
Zitat von Sfeele  Hallo zusammen, um in der Übergangszeit ein übermäßiges Takten der WP zu vermeiden, überlege ich ggf. den Hygienespeicher als Parallelpuffer mit Stichanbindung einzubinden. Dazu würde ich den VL und RL nach dem VVM320 parallel in den unteren Bereich des Hygienespeichers fahren. Sollte[...] Frohe Ostern euch allen... Kann mir einer von euch hierzu vielleicht noch etwas zu sagen? Wäre schön, wenn ich hier noch etwas an Anregungen bekommen könnte. Vielen Dank vorab. Wäre vielleicht auch das Speichersystem von Sailer interessant? Sailer WPS mit SolarDas System bietet mir alles von Anbindung einer Solarthermie bis hin zur Einbindung des Kamins. Eine FriWa wäre auch möglich. Der Speicher hat beim Prüfinstitut SPF in Rapperswil (CH) gute Noten erhalten. Gibt es hierzu Erfahrungen vielleicht von jemanden?
|
| | Zeit:
20.04.2025 11:00:40 |
Zitat von MichaSchmi  Alle 40 Minuten Abtauung ist aber ziemlich oft. Ich habe gerade mal in meinen Aufzeichnungen nachgeschaut und meine WP hat diesen Winter selbst bei Nebelwetterlage und Temperaturen leicht über 0 Grad maximal alle 90 Minuten abgetaut. Die Abtau-Problematik ist grundsätzlich erstmal unabhängig vom Hersteller. Je nachdem wie knapp oder großzügig der Wärmtauscher ausgelegt ist, macht allein das schon einen Unterschied. Und es kommt drauf an, wie viel Wärme in dieser Betriebssituation das konkrete Haus braucht. "Alle 40 Minuten Abtauung" ist garnicht schön, kann aber passieren. Siehe auch diesen Thead: Abtauzyklen - wieviele habt ihr zur Zeit? |
| | Zeit:
20.04.2025 11:11:07 |
Zitat von Sfeele  Zitat von Sfeele  [...] Frohe Ostern euch allen... Kann mir einer von euch hierzu vielleicht noch etwas zu sagen? Wäre schön, wenn ich hier noch etwas an Anregungen bekommen könnte. Vielen Dank vorab. Wäre vielleicht auch das Speichersystem von Sailer interessant? Sailer WPS mit Solar Das System bietet mir alles von Anbindung einer Solarthermie bis hin zur Einbindung des Kamins. Eine FriWa wäre auch möglich. Der Speicher hat beim Prüfinstitut SPF in Rapperswil (CH) gute Noten erhalten. Gibt es hierzu Erfahrungen vielleicht von jemanden? [...] Ja, zum Sailer-Speicher gibts umfangreiche Erfahrungen. Die kann ich aber weder vom Umfang (die Zeit reicht nicht, um Romane zu schreiben) noch aus rechtlichen Gründen hier öffentlich kundtun. Gruß Dipl.-Ing. Anlagentechnik Frank-Rolf Roth www.waermepumpendoktor.com (Planung, Baubegleitung, Anlagen-Optimierung, Betreiberschulung) Referenz-Wärmepumpenanlage der Energieagentur-NRW So wird’s gemacht: https://www.youtube.com/watch?v=JqPpRR6vQl4
|
| | Zeit:
20.04.2025 15:11:44 |
Zitat von Frank_Pantry  Zitat von Sfeele  [...] Ja, zum Sailer-Speicher gibts umfangreiche Erfahrungen. Die kann ich aber weder vom Umfang (die Zeit reicht nicht, um Romane zu schreiben) noch aus rechtlichen Gründen hier öffentlich kundtun. Gruß Dipl.-Ing. Anlagentechnik Frank-Rolf[...] Sind es denn grundsätzlich gute Erfahrungen zum SAILER WPS oder eher schlechte? Alternativ wäre noch ein LINK3 Schichtspeicher im Spiel.
|
| | Zeit:
01.07.2025 12:52:40 |
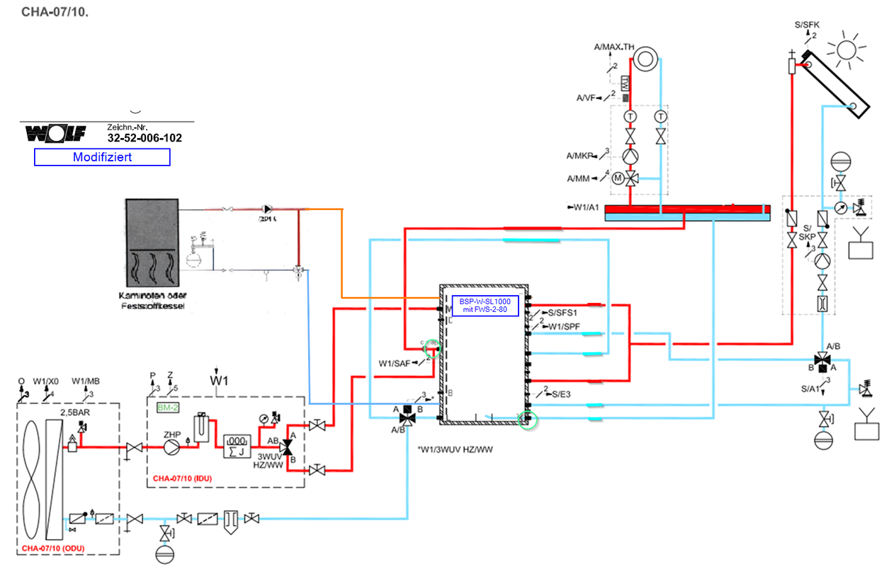
Zitat von Frank_Pantry  Die Heizlast ist garantiert verkehrt,..... Also vernünftig dimensionieren (per WMZ oder per qualifizierter Heizlastberechnung, nicht 0815 über ein wärmepumpenaffines Ingenieurbüro) und dann weiter planenBj. 89)[...] Ich habe jetzt von einem professionellen Energieberater eine Heizlastberechnung von meinem Haus machen lassen. Danach ergibt sich eine Heizlast von 8,7kW Obwohl ich die Berechnung meinem HB vorgelegt habe, bestand er nach wie vor auf die 16-er von NIBE. Deshalb haben sich unsere Wege hier getrennt.... Nun habe ich mir 3 zertifizierten WOLF-Fachbetriebe ins Haus geholt. Hier wird mir von 2 Betrieben aufgrund der Heizlast die CHA07 empfohlen und der andere Betrieb setzt eher auf die CHA10. Was meint ihr, ist die CHA07 ausreichend? Was mir sehr gut an dem WOLF-Konzept gefällt, ist der Schichtenspeicher BSP-W-SL1000 mit FRIWA von denen. Hier das entsprechende Hydraulikschema Dort ist insbesondere die Einbindung des Speichers mit T-Stück aus meiner Sicht gut gewählt. Was meint ihr? Vielen Dank für eure Rückmeldungen.
|