| | | | Zeit:
26.10.2025 01:13:31 |
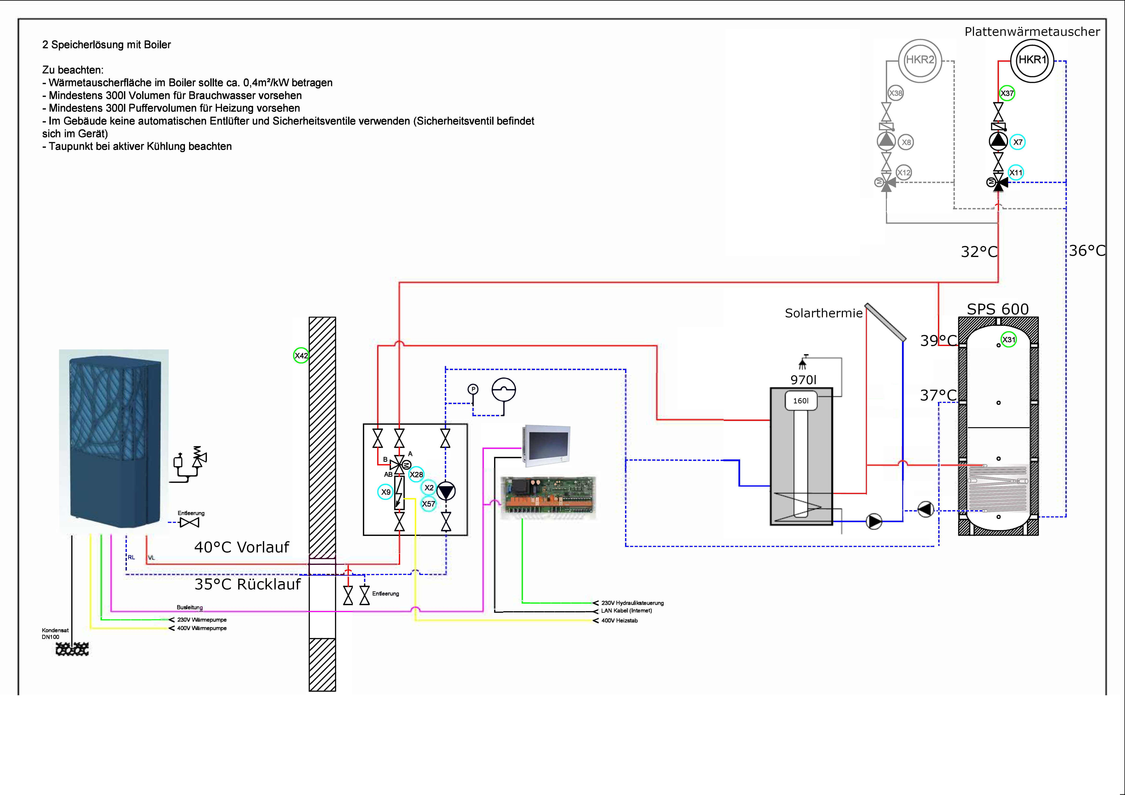
Wir haben einen Heizkeis für die Fußbodenheizung ( Systemtrennung mittels Plattenwärmetauscher, daher auch zwei Pumpen auf voller Leistung) und einen Heizkreis für die Heizkörper. Wärmemengenzähler sind momentan noch nicht installiert. Im Sekundärkreislauf zirkuliert das Wasser prima, im Primärkreislauf leider nicht. Da die ganzen Ventile an den Heizkörpern noch nicht getauscht sind, haben wir diesen Kreislauf momentan nicht in Betrieb, damit dann das ganze Wasser nicht wieder abgelassen werden muss. Wie der Vorlauf zu den Heizkreisläufen funktioniert, ist mir soweit klar. Wie der Rücklauf von den Heizkreisläufen zurück zur Wärmepumpe funktionieren soll, wenn das Trennblech im Pufferspeicher im Weg ist, ist mir allerdings noch nicht klar. Ich denke, daher zirkuliert nichts durch den Primärkreislauf sondern alles direkt durch den Pufferspeicher. Habe das Problem, das ich meine, mal hier eingezeichnet, indem ich den Weg, den der Rücklauf der Heizkörper zur Wärmepumpe geht, gekennzeichnet habe und wieso das wegen des Trennblechs aus meiner Sicht verhindert wird: Hier auch ein Bild der Heizkreisläufe: |
| | Zeit:
26.10.2025 01:42:34 |
Auf dem Bild ist der Heizkreislauf über dem WT noch abgedreht, die Thermometer sind gleichzeitig Kugelhähne. Und am Manometer des WT wird nur 0 bar Druck angezeigt. Waren die Heizkreise nicht gefüllt zum Zeitpunkt des Bildes? Grüße
|
| | Zeit:
26.10.2025 01:44:49 |
Wie hoch waren die VLT und RLT vor Umstellung auf WP. Wie sind die Einstellungen der Heizkurven jetzt?
|
| | Zeit:
26.10.2025 01:51:45 |
Welche Dimension (Durchmesser) haben die Rohre vor und hinter den Pumpengruppen? Wie lang ist der Weg bis zur Inneneinheit?
|
| | Zeit:
26.10.2025 06:16:52 |
Etwas Raketenwissenschaft zur abenteuerlichen Verrohrung. Du solltest ein Schema Zeichnen so wie es angeschlossen ist, incl. Dimensionierung. (mit Fotos) Alles andere hat keinen Sinn, und macht den Thread unübersichtlich und unnötig lang. Zur Rakete. Der Stichpuffer ist nach deiner Problembeschreibung vor dem "micro" Systemtrenner eingebunden. Wasser nimmt immer den Weg des geringsten Widerstands. Welchen KVS hat der Wärmetauscher? Welche Abmessungen hat der WT?
|
| | Zeit:
26.10.2025 07:05:25 |
Das Bild wurde zum Zeitpunkt der Montage gemacht, daher sieht das so aus. Die Kreise sind alle mit knapp über 2 bar gefüllt (bis auf die Heizkörper).
Der Kreislauf zur Fußbodenheizung hat auch dann keinen Durchfluss, wenn die Stichleitung zum Puffer geschlossen ist. In diesem Fall löst der Druckwächter der Wärmepumpe aus.
Daher weiterhin der Verdacht, dass der Rücklauf zur Wärmepumpe falsch angeschlossen ist, da die Trennplatte den Rücklauf von den Heizkreisen vermutlich hydraulisch unterbricht.
|
| | Zeit:
26.10.2025 07:47:36 |
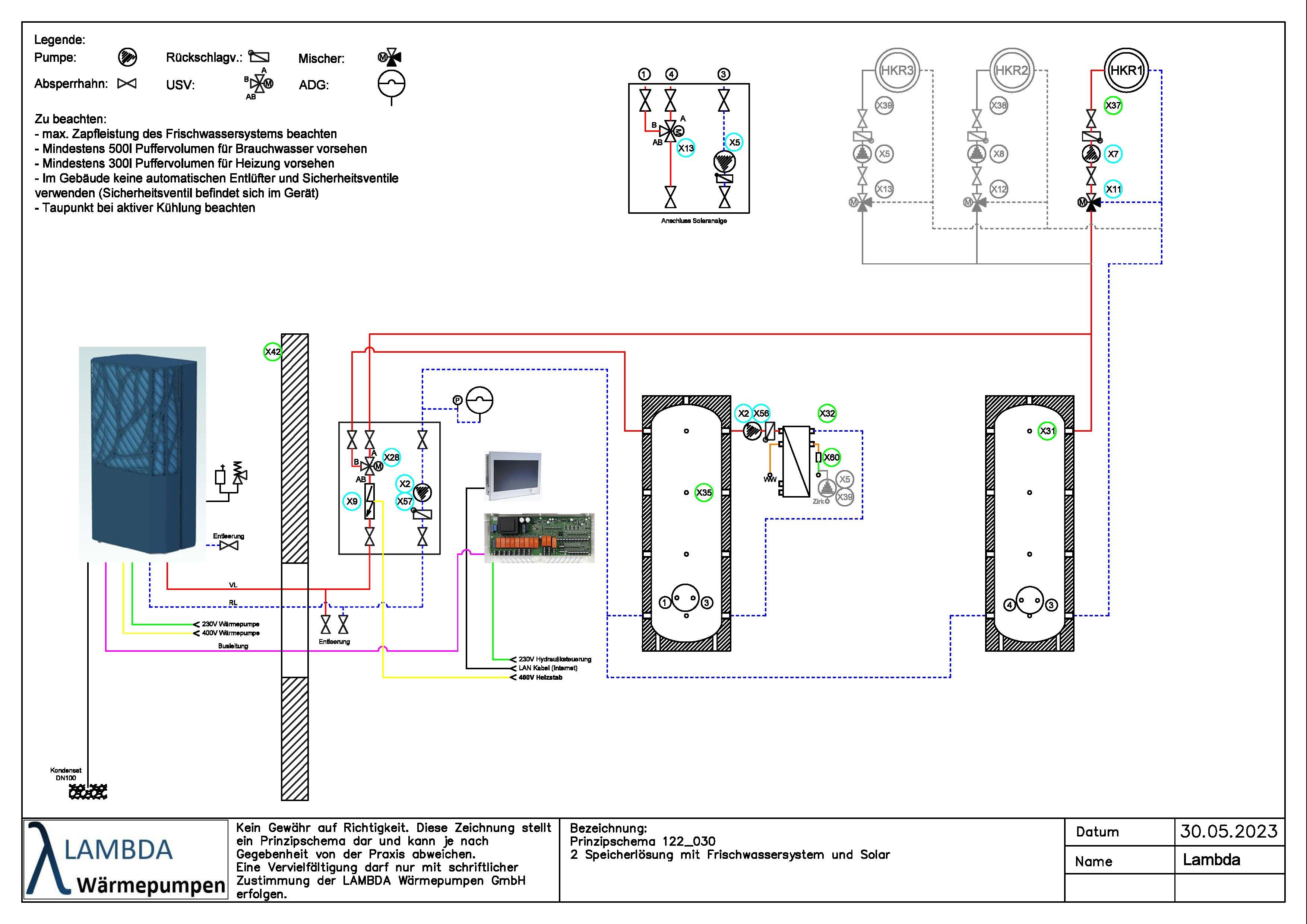
Hallo, das lambda-Schema ist ein Puffer im Rücklauf mit Überströmventil und Rücklaufanhebung durch die Solarthermie. Das Überströmventil wurde nicht eingebaut. Also ist es jetzt ein Puffer mit Stichanbindung. Ganz was anderes, energetisch evtl die schlechtere Lösung. Ist das mit lambda geklärt? Das Trennblech trennt den Puffer nicht wasserdicht in 2 Hälften. Das kann Wasser von oben nach unten oder umgedreht vorbeilassen! Das verhindert theoretisch eine starke Vermischung der Temperaturzonen. Hausaufgaben für dich: -informieren über Möglichkeiten der Puffereinbindung -informieren über Funktion Trennblech -Schema (1:1 wie es jetzt gebaut ist) einstellen, mit der Heizungsverteilung -Foto von der Verteilung mit den aktuellen Temperaturen und Beschriftung welches Thermometer für was ist Die bei lambda sind ja auch nicht ganz doof. Glaube daß das Schema gut funktioniert. Wer kam auf die Idee das so entscheidend zu ändern? Und was in der Verteilung hinter dem Puffer gemacht wurde, das sehn wir dann in dem Schema von dem Ist-Zustand.
|
| | Zeit:
26.10.2025 08:05:03 |
Noch eine Frage: Sind in der Heizungsverteilung 3 Mischer eingebaut? Warum soviele? Hätte nicht einer für die Fußbodenheizung gereicht (hinter dem Plattenwärmetauscher)?
|
| | Zeit:
26.10.2025 08:20:17 |
Zitat von GreenWorld  Wozu das ÜSV? Auch wenn ein ÜSV dann doch gar nicht eingebaut wurde: wo ist auf den Hydraulikplanen ein ÜSV? Die einzigen Unterschiede, die ich auf den beiden Plänen entdeckt habe, sind hier in grün und orange eingezeichnet. Und das sind keine ÜSV zwischen VL und RL. (Ich war allerdings nie besonders gut im Entdecken von Unterschieden in Bildern) |
| | Zeit:
26.10.2025 08:35:56 |
Zitat von Hugo 123  Auf dem Bild ist der Heizkreislauf über dem WT noch abgedreht, die Thermometer sind gleichzeitig Kugelhähne ... Respekt! Das hätte ich nicht gesehen auf dem ziemlich niedrig aufgelösten Foto. @Kenny123: die Kugelhähne sind jetzt beide offen? Die Pumpen zeigen doch die Volumenströme an - oder? Ist das alles plausibel? Also: WP-Kreis ~= Primärkreis (vor dem WT) ~=Sekundärkreis (nach dem WT bzw. zur FBH) Dur schriebst, dass die Temperatur vor der HK-Pumpe (X7) höher sei als nach der HK-Pumpe. Wie und wo hast Du das gemessen? Rein physikalisch ist das dauerhaft nicht möglich, es sei denn, dass die Sonne großflächig irgendwo auf die FBH brennt und entsprechend Energie in den Rücklauf bringt. 970l WW-(Solar)speicher sind viel. Wieviel STh-Fläche ist da angeschlossen?
|
| | Zeit:
26.10.2025 08:48:27 |
Mit dem eingestellten IST-Schema würde endlich mal klar was verbaut wurde und was nicht. Auf jeden Fall wurde das lambda-Schema verändert und es scheint nicht zufriedendstellend zu funktionieren.
Heizung ist die eine Baustelle. Warmwasser wird die nächste. Mit diesem Warmwasserspeicher (für 4 Wohnungen) muss der Vorlauf der WP wie hoch sein?
Vorschlag: Denn Hellmann mit Friwa und Solarunterstützung für WW. Und für die Heizung eine leere Dose mit dem von lambda geforderten Inhalt (OHNE Solarunterstützung).
|
| | Zeit:
26.10.2025 08:50:28 |
Hat der Solarspeicher genug Anschlüsse um eine Friwa zu betreiben?
|
| | Zeit:
26.10.2025 08:51:41 |
Auf dem allerersten Bild, das ich mal gepostet habe, war mal ein ÜSV eingezeichnet. Ich hatte das meinem Heizungsbauer vorgeschlagen, der hatte das aber verworfen. Hier jetzt die versprochenen Bilder von der Anlage: |
| | Zeit:
26.10.2025 08:59:57 |
Was / Wo ist jetzt das originale lambda_Schema?
Wo ist das Schema mit dem Ist-Zustand? Kann man das mal als NICHT-lambda kennzeichen?
Sonst wird das hier nix, mit den ganzen hinterhergeschobenen Infos.
|
| | Zeit:
26.10.2025 09:11:59 |
Temperaturen der 6 Thermometer sehen doch plausibel aus.
|
| | Zeit:
26.10.2025 09:32:40 |
Seh ich das richtig: Da ist jetzt nur der Mischer vor dem Plattenwärmetauscher für die Fussbodenheizung in Betrieb? Die 2 anderen sind ohne Funktion?
|
| | Zeit:
26.10.2025 09:41:16 |
Hier nochmals das aktuelle Schema. Habe Solarthermie und Plattenwärmetauscher nochmals gekennzeichnet (die Pumpen im Sekundärkreislauf für die Fußbodenheizung sind nicht eingezeichnet, dort läuft allerdings auch alles ohne Probleme). Habe zusätzlich die aktuelle gemessenen Werte an verschiedenen Stellen im System eingezeichnet. Die Vorlauf- und Rücklauftemperaturen sehen zwar auf den ersten Blick plausibel aus. Wenn ich aber an den Vorlauf und Rücklauf weiter unten Temperaturfühler anbringe, ist der Rücklauf wärmer als der Vorlauf. An den Rohren spürt man, dass nur im Rücklauf eine Vibration im Rohr bemerkbar ist. Es wirkt so, als ob sich die Pumpengruppe für die Fußbodenheizung nur aus dem Rücklauf am Pufferspeicher die Energie holt. Der eigentliche Vorlauf zu den Heizkreisen bleibt praktisch unbenutzt, weshalb ich weiterhin die Anschlüsse am Pufferspeicher im Verdacht habe. Die zweite Pumpengruppe für die Heizkörper ist momentan nicht in Betrieb, da hier noch die Ventile im ganzen Haus getauscht werden müssen und wir dafür dann die komplette Anlage wieder entleeren müssten.
|
| | Zeit:
26.10.2025 09:54:21 |
Zitat von Kenny123  Hier nochmals das aktuelle Schema. Habe Solarthermie und Plattenwärmetauscher nochmals gekennzeichnet (die Pumpen im Sekundärkreislauf für die Fußbodenheizung sind nicht eingezeichnet, dort läuft allerdings auch alles ohne Probleme). Habe zusätzlich die aktuelle gemessenen Werte an verschiedenen[...] Und dieses aktuelle Schema entspricht dem lambda-Schema? Die Pufferanschlüsse sind plausibel. Passt der PWT zum Durchfluss den die UWP bringt? Oder fehlt ein Rückschlagventil am Rücklauf der Pumpengruppe der FB?
|
| | Zeit:
26.10.2025 09:58:46 |
Von Lambda gibt es kein spezielles Schema für Solarthermie, zumindest konnte ich keines finden.
Am Rücklauf der Fußbodenheizung ist ein Rückschlagventil angebracht.
Der Plattenwärmetauscher ist auf 3000l/h ausgelegt.
|
| | Zeit:
26.10.2025 10:08:56 |
Korrektur: es gibt tatsächlich ein Schema für Solarthermie von Lambda: Die Warmwasserbereitung ist bei uns mittels Hygienespeicher, das ist aber jetzt erst mal nicht so wichtig. Hier wäre der Rücklauf zur Wärmepumpe auf jeden Fall unten am Pufferspeicher angeschlossen, im Gegensatz zur jetzigen Lösung in der Mitter und überhalb des Trennblechs.
|
| | Zeit:
26.10.2025 10:09:26 |
Mit deinen gemessenen Temperaturen an der Mischergruppe vor dem PWT kann kein Rückschlagventil im Rücklauf der Gruppe aktiv sein.
|
| | Zeit:
26.10.2025 10:10:39 |
Aus dem Vorlauf der Wärmepumpe geht wie gesagt gar nichts zur Pumpengruppe, man merkt das auch daran, dass keine Strömung im Rohr zu bemerken ist. Strömung spürt man nur an dem eigentlichen Rücklauf zum Puffer.
|
| | Zeit:
26.10.2025 10:12:32 |
Da ist die Solarunterstützung aber nur für WW, nicht für Heizung. Klär erst mal ab, ob dein Trennblech die 2 Bereiche überhaupt wasserdicht trennt.
|
| | Zeit:
26.10.2025 10:14:43 |
Ich bleibe dabei: Da ist kein Rückschlagventil aktiv. Such mal Herstellerinfos von der Pumpengrupppe. Das Rückschlagventil muss an den Rücklaufanschluss der Pumpengruppe. Intern bringt das nix.
|
| | Zeit:
26.10.2025 10:16:31 |
In dem Schema von Lambda ist Solarunterstützung sowohl für Warmasser als auch Heizung vorgesehen (siehe Nummerierung der Anschlüsse). Das Rückschlagventil ist definitiv eingebaut. Es findet einfach keine Zirkulation zwischen dem eigentlichen Vorlauf von der Wärmepumpe zu der Heizgruppe statt :( Hier ein detaillierteres Bild: |